File:Tich Dimension Correction 3a.png
Jump to navigation
Jump to search
Tich_Dimension_Correction_3a.png (624 × 232 pixels, file size: 58 KB, MIME type: image/png)
Summary
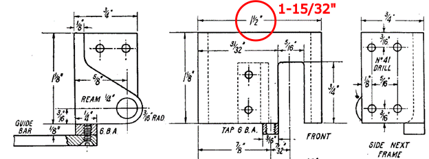
Correction to dimension in Gear Frame drawing. The gear frame width dimension of 1-1/2 inch dimension should be changed to 1-15/32 inch. By Jim Mullner, Jan 2022.
File history
Click on a date/time to view the file as it appeared at that time.
| Date/Time | Thumbnail | Dimensions | User | Comment | |
|---|---|---|---|---|---|
| current | 11:10, 9 February 2022 | 624 × 232 (58 KB) | Dnevil (talk | contribs) | Correction to dimension in Gear Frame drawing. The gear frame width dimension of 1-1/2 inch dimension should be changed to 1-15/32 inch. By Jim Mullner, Jan 2022. |
You cannot overwrite this file.
File usage
The following page uses this file:
