Auto Air Brakes

From IBLS
Jump to navigation Jump to search


After watching several runaway car accidents in the 1/8th scale hobby. I decided to design a functioning air brake system for my cars that emulated the Westinghouse automatic air brakes. The result of my designs are presented here by request of many live steamers that surf the net.

Gerry
13 February 1997

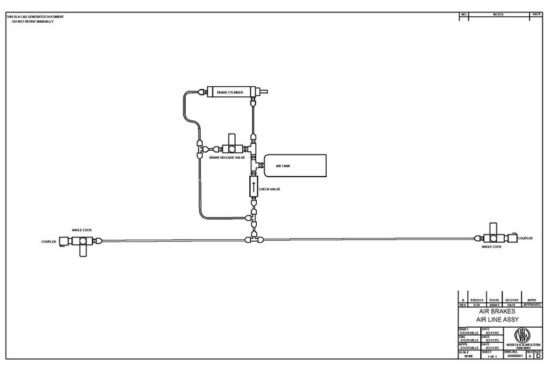
Theory of Operation

My Engine provides the Air for the system with a simple $9.95 air compressor. The brake stand on the engine was converted from a pressure regulator "a cheap 3 way valve". When the handle on the regulator is turned 90 degrees you get a 0 to 40 psi swing on the train line. The operating pressure on the engine reservoir is 70 psi. This allows for the regulator to maintain the set pressure reliably.

Now the Theory of operation on the cars:

With the angle cock to the engine open and the last angle cock in the train closed this provides the sealed train line for operation. For sake of argument we'll focus on just one car. First start of system:

The train line is set for max air which in my case is 40 psi. The check valve opens to allow air to charge the tank on the car and apply pressure on the front of the cylinder, also the rear of the cylinder has 40 psi on it. Now when equalization occurs i.e. the tank on the car is charged and the train line stabilizes at 40 psi then a miracle of physics occur. The pressure on the front side of the cylinder is 2 psi lower that the train line "this is because the cracking pressure of the Clippard check valve happens to be 2psi". So in this case the front of the cylinder has 38psi on it and the back has 40 psi. This in combination with the fact that the front side of the cylinder is a smaller volume "because the piston shaft is taking up space". The cylinder moves to the released position "full extended".

Now when a reduction in the train line occurs the pressure on the back of the cylinder drops to below the front pressure and the cylinder begins to retract. The air tank on the car cannot discharge to the main line because of the check valve. Therefore as the train line is reduced more force is applied to the retracting rod. When the train line is fully reduced the full force is now placed on the front of the cylinder and the brake is full on.

Releasing the brakes is the same process as starting from scratch except this time you only have to charge the train line and any loss off the air tank on the car.

Emergency brakes happens just as in the real ones. You break an air line and the loss of air on the back of the cylinder causes full brake on the car. Brakes will release when the line fault has been corrected.

Last Item: moving the car in the yard.

Just like the real boys there is a valve on the car that when opened will allow the tank to discharge into the train line. Thus to move the car that has its brakes set, close both angle cocks then open the brake release valve this will equalize the pressures and release the brake cylinder. Once this occurs the release valve should be closed and the car placed. Then to set the brakes just open one of the angle cocks to set the brakes again. I have found that this can be done about three times on a single charge of the air tank on the car.

As far as mechanical advantages in the system the cylinder I chose gives 90% force to pressure. This coupled to the brake rigging from Mountain Car Company provides me with a shoe force far in excess of the rail holding capability of the wheel. In other words in a panic stop I SLIDE! Any more force is not needed.

The only springs I have in my system are the same as whats on Mountain Cars rigging. This is only to guarantee that the shoes on the truck return to the off position when the cylinder lets off.

GerryStuteville airsys.jpg
GerryStuteville mech.jpg

Bill of Materials

AUTO AIR BRAKES BILL OF MATERIALS

MAJOR COMPONENTS

Air System BOM

QTY		DESCRIPTION
 3		1/4 inch BALL VALVE
 6		1/4 inch NPT TO 1/8 inch NPT REDUCERS
 2		COLDER 1/8 inch FLOW COUPLERS               COLDER MFG. MC 1002
 2		COLDER 1/8 inch FLOW WITH 1/4 inch BARB INSERT	COLDER MFG. PMC 2204
 1		1/8 inch NPT CHECK VALVE			CLIPPARD MJCV-1
 1		AIR CYLINDER DOUBLE ACTING		BIMBA 092D
 2		1/8 inch NPT PIPE TEES
 1		AIR TANK (CONVERTED PROPANE TANK)
SEVERAL FEET OF 1/4 inch COPPER LINE
ASSORTED 1/4 inch FLARE OR COMPRESSION FITTINGS

NOTES:

Because of the variance in the construction of individual cars the number of pipe fittings and the quantity of copper line required varies. Use the drawing to determine the air flow and the type and quantity of fittings required to make the connections.

The 1/4 inch ball valves I buy from my local hardware store. These valves are the small body type and fit well under the frame line of a standard 1/8th scale car. The valves are made in Italy and are distributed under the B&K brand name. The double acting air cylinder I bought from Air-Dreco in Dallas, Texas but I have found that several acceptable substitutes are available. For example: W.W. Grainger carries an air cylinder under the Speedair name with the same specs Its number is 6W090. Depending on where you source this item here is a cross reference:

Bimba	SPEEDAIRE	CLIPPARD	AMERICAN	PARKER		HUMPHREY
092-D	6W090		SDR-17-2	1062DNS2	1.06DSR2	6-D-2

The check valve I also bought from Air-Dreco in Dallas it is a Clippard model MJCV-1 it is a in line 1/8 inch NPT female to 1/8 inch NPT female with a cracking pressure of 1.5 psi I have not found a more convenient source for these but any decent brass 1/8th flow check valve should work.

The coupler in between cars are made by Colder Mfg. These are a 1/8 inch flow quick connector made in a chrome plated brass. The chrome plated brass parts are mounted on the cars. The interconnect between cars is made out of a length of 1/4 inch tubing that have the mating insert made by Colder installed on both ends of the interconnect. The inserts are attached using a single wire tie to act as a hose clamp. This insert is made out of Delrin part # PMC 2204 so under emergency situations the delrin insert will break away applying the brakes on all the cars. The Colder rep. that I buy from is Wilson Company in Ft. Worth.

Revised information:

You can get the Colder couplers from MSC at www.mscdirect.com The car body connectors (MC 1002) are MSC number 62197298. and the inserts for the car interconnects (PMC 2204) are MSC number 48608863.

The last major item in the air system is the air tank. I use an old propane tank. The kind that you use on your propane torch. These are very easy to come by and I just hate throwing them away! I convert these by removing the schrader valve in the neck and then filling the tank with a light oil. This chases any residual propane that is left in the tank. ( I have visions on one blowing up if I don't do this ) Cut the gas fitting off at the base of the neck with a band saw or hacksaw. Finally drill out the hole in the top of the tank and tap the hole in the tank for a 1/8 inch NPT. Now drain the oil from the tank this will chase out all the chips that you made when you drilled and tapped the tank. This coating of oil in the tank will also help keep the air devices lubricated in the car and keep corrosion down on the inside of the tank.

Mechanical System BOM

QTY			DESCRIPTION
 1 SET			Mountian Car Co. brake hangers
 1			CLEVIS for cylinder
 1			STOP NUT for cylinder
 1 			NOSE BRACKET for cylinder
 1			EQUALIZER BAR
 2			1/4 28 x 2 inch bolts drilled per mechanical drawing
 2			1/4 28 stop nuts
 1			CABLE ADUJUST BRACKET
 2			BICYCLE BRAKE CABLES SETS
 2			1/4 20 x 1 inch Bolts
 4			1/4 20 x 1/2 inch Bolts
 2			Aluminum screen door rollers
 2			Pulley brackets

NOTES:

The mechanical system has gone through some evolution since I started this project. Revision A of the drawings show the brake hangers on the truck activated by a reach rod into a cable strung across the arms of the hangers. this was adjusted by a turnbuckle in the reach rod. This worked but it had problems. The first problem encountered with this system is the reach rod sat to low to the track and tended to pick up weeds and grass in the right of way. This was a minor annoyance since if the right of way is free of grass this is not a problem. Second problem was the brakes did not apply with an acceptable force at 40 psi and the cable across the arms of the brake hangers constantly stretched requiring adjustment all the time. The problem ended up when I entered tight curves the reach rod would not slide on the cross cable reliably and the brake would partially apply. With all these problems I made Version B. Version B works well even though it has some more components and is more complicated to build.

The basic design of the mechanics results in pulling motion to apply the brakes This force is relayed by the cables to the trucks where the small pulley mounted on one of the arms translates the cable pull to a right angle with the truck where the cable compresses the arms together to apply brakes.

The most complicated piece on the system is the pulley that translates the motion 90 degrees. This is made out of a 3/4 inch diameter aluminum with internal ball bearing screen door roller. The keeper bracket is made out of a T shaped piece of sheet aluminum that is folded to mount on the hole in the roller and retain the cable in the groove of the roller. The cable adjust bracket is made out of a piece of angle drilled and tapped for the two special 1/4 28 bolts that are center drilled the stop nuts lock these down in the bracket. All the cable stops were made from the 1/4 20 x 3/4 bolts which were drilled to accept the cable so it could be locked against the arm by compression.

Again the mechanics can be made any way you want so long as the system is made to accept a pulling motion to apply the shoes to the wheels.