Steam Regulator

From IBLS
Jump to navigation Jump to search


From www.ggls.org on Archive.org

STEAM REGULATOR

by Charles P. Reiter

This is a design that has been used around the Golden Gate Live Steamers for a long time. The origin of this design has been lost, but a reprint of a 1953 Miniature Locomotive Magazine article appeared in Live Steam Magazine in May 1986 and is essentially the same unit, although not as refined and lacking dimensions. It was recommended for controlling turbo generators but works equaly well for diesel fuel atomizers. We should thank those who have gone before us and worked out the details.

With a few scrawlings on several photocopies, gradually the design has evolved and I have endeavored to filter it all and make a real drawing anyone can follow. This is a summation of the tinkerings of several people, so different pipe entry / exit points and mounting details are shown. In the steam industry this device is known as a pressure reducing valve, but I refer to it as a regulator.

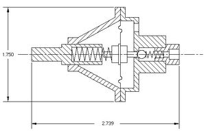
This is an assembled view of a regulator.

CharlesReiter SteamRegulator drawing.jpg

The goal of this device is to regulate the flow of steam to some appliance. It is effectively, a calibrated leak. The oriface at the end of the output pipe is where pressure escapes to the atmosphere. All pressure in the system after the regulator is due to the restriction of this orifice. In full size practice the regulator output pipe is always a larger size, because there is expansion of steam and a reduction in steam temperature.

When the pressure rises in front of the diaphragm, the valve ball closes the orifice down holding flow/ pressure down. When the pressure in the diaphragm chamber lowers, the spud pushes the ball off its seat to allow more to flow. This all happens instantaneously, within a small window of operation, with very little motion. The spring pressures and the stiffness of the diaphragm all contribute to the balanced action of the system.

It can easily be seen that the system is dependent on this balanced action and tightening the control too much or too little will take the system way out of equilibrium. It is also necessary to have a minimum operating pressure over the output pressure but in locomotive use this should be no problem.

All the materials used should be non-corroding in the presence of high temperature steam. The diaphragm should be stainless and if different spring material is used, the springs will need to be redesigned. The large spring is always dry so steel is OK here. The small spring is just there to keep the ball against the seat and its tension is not critical, as long as it closes to slow enough flow. Remember this is a regulator not a valve, so in your plumbing install a control/ shutoff valve ahead of the regulator. To make the diaphragm, a .003 thickness of stainless is sandwiched between two pieces of 0.25 aluminum or other and turned to size. It might be good to make a spare at the same time. This fixturing also helps in drilling the center and peripheral holes.

The body of the regulator is of course steam temperature so an insulated control knob is much safer. It's a good idea to build in a gage into the system, and of course use a siphon.

Railroad Supply Version

Here is a commercially made version of the regulator (probably the Railroad Supply Corporation version), as listed on eBay. Made from lost wax bronze castings, machined brass, and stainless hardware. Overall length of unit is approx. 2" x 1 3/4" diameter. Steam inlet is machined with 1/8" NPT thread. Outbound discharge is 3/16" Model taper pipe female threads. Regulate flow of air or steam by turning brass screw.

The molds, tooling and mechanical drawing for he Railroad Supply Corporation version of the regular was placed up for auction on eBay.com during August 2015. The auction read as follows:

1 1/2" scale live steam pressure regulator molds, tooling, and drawing
Up for sale are 1 1/2" scale live steam pressure regulator molds, tooling, and drawing. There is 2 wax injection molds for the pressure regulator body, along with the tooling to make components, and some hardware. The molds are from the original Burbank Railroad Supply Corporation that went out of business and sold many of the assets back in the 1990's. The molds are injected with melted wax to create wax patterns and then sent to a foundry for processing into bronze parts. The bronze parts are machined and assembled to create the finished product. All of these molds were used to make the pressure regulator part# C-9290 that was listed in the Burbank Railroad Supply catalog #9 on page E-3. There are some misc. sample bronze parts and hardware that is also included. Drawing is included that explains all the dimensions and assembly of the part. This part would be great for the hobbyist who wants to make money on the side. This item can be made with simple tools like drill press, small lathe (3 in 1 would be perfect), small press, hammer, and wrenches. At time of pickup, I will explain how the item is made and assembled.

The asking price of $2,000US gathered no bids.

RRSupply SteamPressureRegulator ebay Aug2015.JPG